Please enable JavaScript to view this site.

Example of using algebraic expression

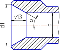
Sketch of a cut-out extrusion element – a circle of diameter d1. The element forms the conical part of a hole. Diameter of the cylindrical part of a hole — d (see Figure b).

a)

b)

Algebraic expression

The depth of extrusion (v13) must be calculated using the formula (see Figure a):

(d1-d)/2*tand(a*2),

where

d, d1 – diameters of cone bases,

a – half angle at the cone vertex.

Example of using a logical expression

 

The extrusion element which forms a ledge should be present in a model of the flanged elbow if any of the following conditions hold:

GOST 20189, angle 90°,

GOST 20190.

To implement this requirement in a model, it is necessary to create the following variables (see the figure):

which sets the number of standard, for example, GOST,

which sets the value of angle, for example, angle.

Logical expression

An expression to calculate the values of a variable for the ledge, which conforms to the Exclude from Calculation parameter (v86), shall be as follows:

GOST==20189&&angle==90||GOST==20190?0:1 (see the figure).

For convenience of work, spaces and parentheses can be used in the expression:

(GOST == 20189) && (angle == 90°) || (GOST == 20190) ? 0 : 1

© ASCON-Design systems, LLC (Russia), 2025. All rights reserved.