Please enable JavaScript to view this site.

To create/modify a break, follow these steps.

1.Run the Break in View command. The command is available to all views, except the system view.

Two parallel lines – break boundaries – will appear in the graphic area, and the controls to configure the break parameters will appear on the Parameter Panel.

2.While moving with the mouse the defining points of borders of break borders, confined the part of image which needs to be deleted.

3.Select the type of break line using the Break line group of button:

Wavy — a sinusoid having an integer number of half-waves.

Jogged — a straight line with evenly placed zigzags.

Straight Line — a straight line.

Not displayed — the break line is not displayed on the screen

4.In the Gap field, enter the distance between the break lines – the distance at which visible parts of image after creation of a break will be located from one another.

For all the lines, except the jogged line, the minimum gap is 1 mm, and for a line with bend – no less than two amplitudes.

5.If necessary, set the slope angle of the break line. To that end, in the Angle field, enter the value of angle between the OY axis of the coordinate system of the current view and borders of a break shown on the view by parallel lines.

6.Set the parameters for a wavy or jogged break line (see section Parameters of break line).

7.If you want to change the length of the break line or delete individual sections, switch to the Edit mode (when calling the command, the Creation mode is active).
The Edit mode is also more convenient for adjusting the parameters of break lines, as in this mode, the lines are displayed "realistically" rather than as straight lines. More information about design modes...

8.If the view should have several breaks, click Add next to the Breaks field. More details on creating multiple breaks in a single view...

9.If a break must not be displayed in the graphic region after its creation, disable the Show breaks option. This option controls display of all the breaks created in the view. You cannot disable one of the breaks.

10.To complete break construction, click Create Object .

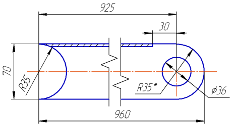
A break will be created (see the Figure). All geometrical objects of the current view which were between the break borders will cease to be displayed in graphic region. Visible parts of the image will be confined by the lines of selected type and moved up to one another so that the distance between them equaled the value set in the Gap field. The length of lines limiting the break is automatically determined by the system based on the image dimensions in the view.

Example of the image break

Control of breaks display

Once a break has been created, in the context menu of the view the Show breaks command becomes available. It is used to switch between full and trimmed display of the view. The checkmark next to the command name means that the view is displayed with a break. At the same time, the Drawing tree displays the icon before the view name.

If display of a break is disabled, then the icon in the Tree is missing, and the view is displayed in the drawing in full.

Use of the Show breaks command is equivalent to enabling/disabling the same-named option in the Parameters panel on creation/editing of breaks.

A view may be displayed either in full – without any breaks, or with all the breaks which were created in it. You cannot disable one of the breaks.

See Also

General information about break in view

Automatic creation of the break in the associative view

© ASCON-Design systems, LLC (Russia), 2025. All rights reserved.