Please enable JavaScript to view this site.

Пример использования алгебраического выражения

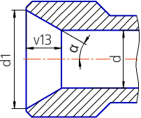
Эскиз вырезанного элемента выдавливания — окружность диаметром d1. Элемент формирует коническую часть отверстия. Диаметр цилиндрической части отверстия — d (рисунок б).

а)

б)

Алгебраическое выражение

Глубина выдавливания (v13) должна вычисляться по формуле (рисунок а):

(d1-d)/2*tand(a*2),

где

d, d1 — диаметры оснований конуса,

a — половина угла при вершине конуса.

Пример использования логического выражения

 

Элемент выдавливания, формирующий уступ, должен присутствовать в модели фланцевого угольника при выполнении любого из следующих условий:

ГОСТ 20189, угол 90°,

ГОСТ 20190.

Для реализации этого требования в модели необходимо создать следующие переменные (см. рисунок):

задающую номер стандарта, например, GOST,

задающую величину угла, например, angle.

Логическое выражение

Выражение для вычисления значения переменной уступа, которая соответствует параметру Исключить из расчета (v86), должно быть следующим:

GOST==20189&&angle==90||GOST==20190?0:1 (см. рисунок).

Для удобства работы в выражении можно использовать пробелы и скобки:

(GOST == 20189) && (angle == 90) || (GOST == 20190) ? 0 : 1

© ООО «АСКОН-Системы проектирования», 2026. Все права защищены. | Единая телефонная линия: 8-800-700-00-78