Please enable JavaScript to view this site.

Чтобы создать/изменить разрыв, выполните следующие действия.

1.Вызовите команду Разрыв вида . Команда доступна для всех видов, кроме системного.

В графической области появятся две параллельные линии — границы разрыва, а на Панели параметров — элементы управления, позволяющие настроить параметры разрыва.

2.Перемещая мышью характерные точки границ разрыва, ограничьте часть изображения, которую нужно удалить.

3.Выберите тип линии разрыва с помощью группы кнопок Линия разрыва:

Волнистая — синусоида с целым количеством полуволн

С изломом — прямая линия с равномерно расположенными изломами

Прямая — прямая линия

Не отображается — линия разрыва не отображается на экране

4.В поле Зазор введите расстояние между линиями разрыва — расстояние, на котором будут располагаться друг от друга видимые части изображения после создания разрыва.

Для всех линий, кроме линии с изломом, минимальный зазор 1мм, а для линии с изломом — не менее двух амплитуд.

5.При необходимости задайте угол наклона линии разрыва. Для этого в поле Угол введите значение угла между осью OY системы координат текущего вида и границами разрыва, показанными на виде параллельными линиями.

6.Задайте параметры для линии разрыва волнистой или с изломом (см. раздел Параметры линии разрыва).

7.Если требуется изменить длину линии разрыва или удалить отдельные участки, перейдите в режим Редактирование (при вызове команды активен режим Создание).
Режим Редактирование также более удобен для настройки параметров линий разрыва, так как в нем линии отображаются «реалистично», а не в виде прямых. Подробнее о режимах построения...

8.Если вид должен иметь несколько разрывов, нажмите кнопку Добавить , расположенную рядом с полем Разрывы. Подробнее о создании нескольких разрывов в одном виде...

9.Если разрыв не должен отображаться в графической области сразу после его создания, отключите опцию Показать разрывы. Данная опция управляет отображением всех разрывов, созданных в виде. Отключить один из разрывов невозможно.

10.Для завершения построения разрыва нажмите кнопку Создать объект .

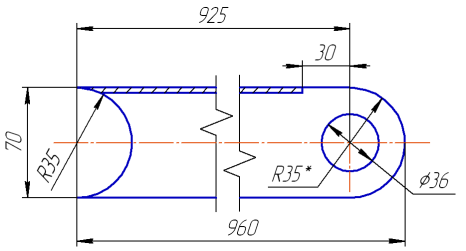
Разрыв будет создан (см. рисунок). Все геометрические объекты текущего вида, находившиеся между границами разрыва, перестанут отображаться в графической области. Видимые части изображения будут ограничены линиями выбранного типа и придвинуты друг к другу так, чтобы расстояние между ними равнялось значению, заданному в поле Зазор. Длина линий, ограничивающих разрыв, определяется системой автоматически по габаритам изображения в виде.

Пример разрыва изображения

Управление отображением разрывов

После того как разрыв создан, в контекстном меню вида становится доступной команда Показать разрывы. Она используется для переключения между полным и усеченным отображением вида. «Галочка» рядом с названием команды означает, что вид отображается с разрывом. При этом в Дереве чертежа перед названием вида отображается пиктограмма .

Если отображение разрыва отключено, то пиктограмма в Дереве отсутствует, а вид показывается в чертеже целиком.

Использование команды Показать разрывы равносильно включению/отключению одноименной опции на Панели параметров при создании/редактировании разрывов.

Вид может отображаться либо полностью — без всех разрывов, либо со всеми разрывами, которые в нем созданы. Отключить один из разрывов невозможно.

Смотрите также

Общие сведения о разрыве вида

Автоматическое создание разрыва в ассоциативном виде

© ООО «АСКОН-Системы проектирования», 2026. Все права защищены. | Единая телефонная линия: 8-800-700-00-78