Please enable JavaScript to view this site.

В КОМПАС-3D можно создать координационные оси следующих типов:

Прямая координационная ось,

Дуговая координационная ось,

Круговая координационная ось.

Для точного позиционирования курсора и задания параметров в процессе построения можно использовать привязки и геометрический калькулятор.

Прямая координационная ось

Для создания обозначения прямой координационной оси используется команда Прямая координационная ось .

Порядок действий

1.Укажите начальную точку координационной оси.
Фантом оси появится в графической области.

2.Сформируйте надпись обозначения.

3.Чтобы при вводе текста производилось автоматическое присвоение номера марке, включите опцию Автопродолжение. Подробнее...

4.Настройте параметры выступов и марок. Для этого используются элементы секции Выступы и марки.

5.Настройте параметры координационной оси. Для этого используются элементы секции Дополнительные параметры.

6.Если требуется создать дополнительные обозначения, установите переключатель Дополнительные обозначения в положение I (включено). Создание дополнительных обозначений возможно, если включена отрисовка основной марки.

7.Задайте конечную точку оси одним из способов.

Укажите точку мышью.

Задайте длину отрезка между начальной и конечной точками и угол оси в поля Длина и Угол на Панели параметров.

Если создание дополнительных обозначений отключено, то после указания конечной точки создание прямой координационной оси автоматически завершается.

8.Если создание дополнительных обозначений включено, создайте их. Подробнее...

9.Завершив создание дополнительных обозначений, нажмите кнопку Создать объект .

10.Для завершения работы команды нажмите кнопку Завершить .

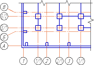
а)

б)

Прямая координационная ось

а) пример использования, б) параметры оси

Дополнительные возможности при создании обозначений...

Дуговая координационная ось

Для создания обозначения дуговой координационной оси служит команда Дуговая координационная ось .

Порядок действий

1.Задайте центр дуги.
Фантом координационной оси появится в графической области.

2.Задайте начальную точку дуги одним из способов.

Укажите точку мышью.

Введите значения начального угла и диаметра или радиуса дуги в соответствующие поля на Панели параметров. Чтобы задать диаметр/радиус, в группе Параметр дуги нажмите нужную кнопку:

Диаметр,

Радиус.

3.Направление построения дуги можно сменить на противоположное с помощью кнопки Направление дуги .

4.Сформируйте надпись обозначения.

5.Чтобы при вводе текста производилось автоматическое присвоение номера марке, включите опцию Автопродолжение. Подробнее...

6.Настройте параметры выступов и марок. Для этого используются элементы секции Выступы и марки. Выступы располагаются по касательным к дуге оси.

7.Настройте параметры координационной оси. Для этого используются элементы секции Дополнительные параметры.

8.Если требуется создать дополнительные обозначения, установите переключатель Дополнительные обозначения в положение I (включено). Создание дополнительных обозначений возможно, если включена отрисовка основной марки.

9.Задайте конечную точку оси одним из способов.

Укажите точку мышью.

Введите значение конечного угла в поле Конечный угол.

Если создание дополнительных обозначений отключено, то после указания конечной точки создание дуговой координационной оси автоматически завершается.

10.Если создание дополнительных обозначений включено, создайте их. Подробнее...

11.Завершив построение дополнительных обозначений, нажмите кнопку Создать объект .

12.Для завершения работы команды нажмите кнопку Завершить .

а)

б)

Дуговая координационная ось

а) пример использования, б) параметры оси

Дополнительные возможности при создании обозначений...

Круговая координационная ось

Для создания обозначения круговой координационной оси служит команда Круговая координационная ось .

Порядок действий

1.Задайте центр окружности.
В графической области появится фантом координационной оси.

2.Сформируйте надпись обозначения.

3.Чтобы при вводе текста производилось автоматическое присвоение номера марке, включите опцию Автопродолжение. Подробнее...

4.Настройте параметры марки.

5.Настройте параметры координационной оси. Для этого используются элементы секции Дополнительные параметры.

6.Если требуется создать дополнительные обозначения, установите переключатель Дополнительные обозначения в положение I (включено). Создание дополнительных обозначений возможно, если включена отрисовка основной марки.

7.Задайте положение марки одним из способов.

Укажите точку мышью.

Введите значение диаметра или радиуса окружности в соответствующее поле на Панели параметров. Чтобы задать диаметр/радиус, в группе Параметр окружности нажмите нужную кнопку:

Диаметр,

Радиус.

Если создание дополнительных обозначений отключено, то после указания положения марки создание круговой координационной оси автоматически завершается.

8.Если создание дополнительных обозначений включено, создайте их. Подробнее...

9.Завершив создание дополнительных обозначений, нажмите кнопку Создать объект .

10.Для завершения работы команды нажмите кнопку Завершить .

а)

б)

Круговая координационная ось

а) пример использования, б) параметры оси

Дополнительные возможности при создании обозначений...

© ООО «АСКОН-Системы проектирования», 2026. Все права защищены. | Единая телефонная линия: 8-800-700-00-78