Please enable JavaScript to view this site.

Чтобы создать обозначение допуска формы и расположения поверхностей, выполните следующие действия.

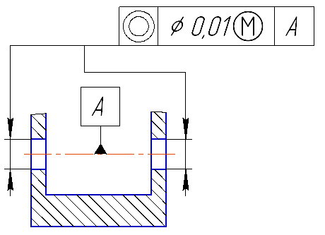
1.Вызовите команду Допуск формы .
В графической области появится фантом обозначения.

2.Укажите объект для простановки допуска (контур детали, выносную линию размера и т.д.). Название выбранного объекта появится в поле Объект на Панели параметров.

3.Укажите на объекте точку, на которую указывает выносная линия допуска.

4.Задайте точку вставки рамки допуска.

В зависимости от направления движения курсора при указании точки вставки будет появляться вспомогательная траектория, параллельная оси абсолютной системы координат или перпендикулярная обозначаемому объекту в точке, на которую указывает выносная линия.

Чтобы отобразить все вспомогательные траектории, нажмите и удерживайте клавишу <Ctrl>. Чтобы отключить отображение вспомогательных траекторий при указании точки вставки обозначения, нажмите и удерживайте клавишу <Alt>.

Для точного задания положения обозначения можно использовать привязки и геометрический калькулятор.

Положение рамки допуска также можно задать без указания обозначаемого объекта — щелчком мыши в свободном месте графической области.

5.После указания точки вставки рамки допуска автоматически запустится подпроцесс Ввод текста. Сформируйте таблицу допуска.

После окончания работы подпроцесса Ввод текста система вернется к простановке обозначения. Сформированная надпись появится в поле Текст и в ячейках таблицы допуска. Вы можете отредактировать текст, щелкнув в поле Текст или в ячейке таблицы допуска, а также нажав любую из буквенно-цифровых клавиш на клавиатуре.

6.Если требуется, добавьте обозначение пересекающей и/или ориентирующей плоскости в группе Знак на Панели параметров. Обозначение представляет собой таблицу, аналогичную таблице допуска, с дополнительными графическими символами и располагается справа от нее. Подробнее...

7.С точкой вставки совпадает левый нижний угол рамки допуска. Если требуется изменить положение рамки относительно точки вставки, активизируйте соответствующую точку элемента Позиция.

8.Рамка допуска располагается горизонтально. Если требуется расположить рамку вертикально, включите опцию Вертикально.

9.На фантоме рамки отображаются восемь характерных точек, показывающих возможные места выхода ответвлений. Создайте необходимое количество ответвлений. Подробнее...

Каждое новое ответвление создается со стрелкой. Сменить тип стрелки можно с помощью контекстного меню характерной точки на конце ответвления.

10.Чтобы завершить создание обозначения допуска формы, нажмите кнопку Создать объект .

11.Для завершения работы команды нажмите кнопку Завершить .

К созданному обозначению можно добавить текстовую метку.

Простановка допуска расположения поверхностей

© ООО «АСКОН-Системы проектирования», 2026. Все права защищены. | Единая телефонная линия: 8-800-700-00-78